Menu
EUR
Menu
EUR
Mein Konto
Wunschzettel
0
Traktoren & Fahrzeuge
Ersatzteile nach Hersteller
Fendt
Case IH
John Deere
Deutz-Fahr
Massey Ferguson
New Holland
Steyr
Same
Fiat
Hürlimann
Lamborghini
Ford
Valtra-Valmet
Claas
Renault
Perkins
JCB
Jungheinrich
David Brown
Kubota
Linde
Wacker Neuson
Weidemann
Belarus
BT
Carraro
Clark
Eicher
Fritzmeier
Kramer
Landini
Lindner
Mercedes Benz
Schäffer
Schlüter
Still
Toyota
Yale
Zetor
Yanmar
Volvo CE / BM
McCormick
Combilift
Bobcat
Hyster
Mitsubishi
Steinbock
Holder
Güldner
Hangcha
White
Zettelmeyer
Doosan
Ursus
Genie
Moffett
Atlas
Caterpillar
Goldoni
Hanomag
Komatsu
O&K
Porsche
MAN
Oldtimer Ersatzteile
Fendt
McCORMICK und IHC
Massey Ferguson
Fordson und Ford
Porsche Diesel
Deutz
Hanomag
Mercedes-Benz
Güldner
Fahr
Kramer
John Deere
Eicher
Renault
Steyr
Schlüter
MAN
MWM-Motoren
Diverse Schleppertypen
Gelenkwellen
Standard Gelenkwellen
Gelenkwellen mit Weitwinkel
Gelenkwellen mit Abscherschraubenkupplung
Gelenkwellenhälften
Gelenkwellen Ersatzteile & Zubehör
Gelenkwellen mit Freilaufkupplung
Gelenkwellen mit Sternrutschkupplung
Gelenkwellen mit Rutschkupplung
Anhängerkupplungen
Zugmäul
Anhängeböck
K80 Kugel
K50 Kugel
Piton Fix
Zwangslenkung
Zugpendel & Zugösen
Zubehör
Sitze und Zubehör
Sitzschale
Schleppersitz mechanisch
Schleppersitz luftgefedert
Staplersitz
Baumaschinensitz
Rasentraktor Sitz
Beifahrersitz
Sitzbezüg
Teile für Sitz
Kabine und Zubehör
Spiegel
Spiegelhalterung
Gasdruckfeder
Teile für Gasdruckfeder
Scheibenwischerblatt
Scheibenwischerarm
Scheibenwischermotor
Scheibenwischer Ersatzteile
Scheibenreparatur
Fenstergummi
Sonnenschutzrollo
Kabinenlüfter
Kabinenzubehör
Fenster- und Kabinenschlösser
Dreipunktteile
Oberlenker
Hubarme
Liftachse
Hubkugeln
Stabilisatoren
Anhängeböcke und Lochleisten
Bolzen für Dreipunkt
Sicherungstechnik
Distanzscheiben, Federringe und Buchsen
Unterlenkerhaken
Fangprofile
Gewindespindeln
Gabelköpfe
Dreipunktzubehör
Hydraulik
Ventile für Leitungseinbau
Pumpen
Schneidringverschraubungen
Schnellverschlusskupplungen
Schlauchleitungen und Zubehör
Motoren
Hydraulikzylinder
Adapter
Messtechnik
Hydraulikaggregate
Filtration
Kraftstofffilter
Ölfilter
Luftfilter
Hydraulikfilter
Kohlefilter
Kabinenfilter
Indikatoren
Entlüftungsfilter
AdBlue filter
Kältemittelfilter
Filtergläser
Vorfiltres
Filterköpfe
Dichtungen
Zyklonfilter
Kraftstofftankfilter
Wetterabdeckungen
Filtersets
Filterelemente
Zubehör
Andere filter
Lenkung & Vorderachse
Lenkräder und Zubehör
Lenk- und Spurstangen
Hydraulische Lenkung
Kugelgelenke
Elektrik
Anzeigeinstrumente
Mess-/Testgeräte & Werkzeug
Schalter / Bedienung
Verbindungstechnik
Sensoren
Starter
Generatoren
Multimedia & Kommunikation
Videosysteme
Relais
Precision Farming
Schutz / Überwachung / Kühlung
Spannungswandler
Batterien
Beleuchtung
Hauptscheinwerfer
Arbeitsscheinwerfer
Rundumleuchten / Blitzer
Rückleuchten
Nebelschlussleuchten
Rückfahrscheinwerfer
Kennzeichenleuchten
Markierungsbeleuchtung
Rückstrahler
Warntafeln / Warnfolien
Beleuchtungsträger
Beleuchtungssätze
Leuchtmittel / Fassungen
Motor
Gas- und Stoppzüge
Ersatzteile Auspuffanlage
Kraftstoff
Kühlung
Motorvorwärmung
AdBlue Tanks
Bremse & Getriebe
Pilotlager
Bremsbeläge
Nieten
Universelle 1-Kammer Tanks
Bremsflüssigkeitsbehälter
Zubehör für Bremsflüssigkeitsbehälter
Fahrzeugaufbau
Werkzeugkisten
Motorhaubenstützen
Gummispannringe
Kunststoff Vorderradkotflügel
Kotflügelverbreiterung
Schmutzfänger
Accessoires
Trettrecker
Schlüsselanhänger
Caps
Andere
Werkstatt & Wartung
Schmier- & Wartungsprodukte
Winterprodukte
Technische Sprays
Pflegemittel
Additive
Fette
Motoröl
2-Takt-Öl
Sonstiges Öl
Hydrauliköl
Klebstoffe, Abdichtung und Verriegelung
Dichtmassen
Flächendichtung
Klebstoffe
Schraubensicherung
Scheibenklebstoff
Spachtelmasse & Metallreparatur
Zylindrische Befestigung
Gewindedichtung
Zubehör
Lacke und Zubehör
Markenspezifische Farben in Dosen
Markenspezifische Farben in Sprühdose
RAL Farben in Dosen
RAL Farben in Sprühdose
Grundierungen
Härter und Verdünner
2-Komponenten Farbe
Lackier- und Malerwerkzeug
Kleben, Schneiden und Abdecken
Andere Produkte
Reinigungsmittel
Reiniger
Fahrzeugreinigung
Reinigungszubehör
Sprays
Entfetter
Fetthandling
Fettpresse
Fettpressen Kupplung
Fettpresse Ersatzteile
Schmiernippel Fettpresse
Werkstatt Handschuhe
Werkstattbedarf
Handreinigung
Reifenreparatur
Putztücher
Trichter
Ölkännchen
Messbecher
Kanister
Auffangwannen Öl
Montagerollbretter und Werkstatthocker
Maschinen- und Werkstattreinigung
Erste-Hilfe-Material
Arbeitssicherheit
Vorhängeschlösser
Werkstatt Trittleiter
Pumpe
Dieseltank
Wagenheber & Unterstellböcke
Beleuchtung und Elektrik
Elektroinstallation
Batterien und Ladegeräte
Werkstattstrahler & Lampen
Lampen
Ladungssicherung und Hebetechnik
Zurrgurt
Automatikzurrgurt
Abschleppschlinge
Hebegurt
Rundschlinge
Ratschenspanner
Gepäckspanner
Big Bag & Zubehör
Schweißtechnik
Schweißdraht
Elektrode
Löten
Schweißerhelm & Zubehör
Schweißgeräte
Zubehör zum Schweißen
Räder, Rollen und Transportgeräte
Sackkarren
Schubkarren
Vollgummiräder
Werkzeuge
Schleifen, Fräsen und Schleifen
Trennscheibe
Fächerscheibe
Schruppscheibe
Maschinenbürste
Bohrer und Bits
Bohrer und Zubehör
Bits und Einsätze
Werkstattwagen und Sortimente
Werkstattwagen, bestückt
Module und Einlagensets
Werkzeug Sortimente
Werkstattwagen, unbestückt
Werkzeugkisten
Handwerkzeuge
Montage- und Spannwerkzeuge
Schraubendreher
Knarren
Zangen
Schraubenschlüssel
Steckschlüssel-Sätze
Stecknüsse
Kraftsteckschlüssel, -Nüsse und Zubehör
Hammer, Meißel und Durchtreiber
Adapter für Steckschlüssel
Feilen
Drehmomentschlüssel
Messer und Scheren
Hebelwerkzeug
Drahtbürsten
Kraftvervielfältiger
Elektrowerkzeuge
Druckluftwerkzeuge
Schlagschrauber und Zubehör
Ratschenschrauber
Schleifmaschinen
Druckluft
Zubehör
Spezialwerkzeuge
Hydraulik
Motorentechnik
Sonstige
Räder-Reifen
Abzieher
Mess- und Prüfwerkzeuge
Messgeräte
Prüfwerkzeuge
Schneidwerkzeuge
Gewindebohrer
Bohr- und Schneidöl
Befestigungsmaterial
Schrauben
Sechskantschrauben
Holzschrauben
Schlossschrauben
Senkschrauben
Zylinderkopfschrauben
Flügelschrauben
Gewindestangen
Verschlussstopfen
Muttern
Sicherungsmuttern
Flanschmuttern
Kugelknöpfe
Kronenmutter
Ösenmuttern
Sternknöpfe
Thermag-Muttern
Flügelmuttern
Radmuttern
Sechskantmuttern
Scheiben und Federringe
Befestigungsartikel
Seile, Ketten und Zubehör
Sicherungsringe / -elemente
Holzverbinder
Pfostenträger
Sortimente
Baubeschläge
Zug- und Druckfedern
Winteraktion
40.000+
technische Produkte
Deutschlandweite
Zustellung
30 Tage
Rückgaberecht
Bewertung
9,0/10
(501 reviews)
Kundendienst
9.0
Startseite
/
Traktoren & Fahrzeuge
/
Ersatzteile nach Hersteller
/
Fendt
/
Favorit 824 (Typ 824)
/
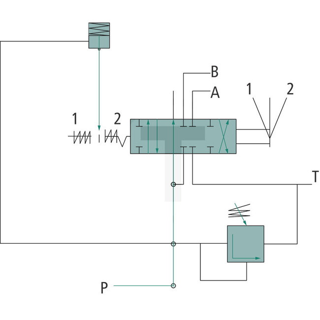
Ventil Holzspalter P81 A3 G - P81-A3-G
GRANIT Ventil Holzspalter P81 A3 G - P81-A3-G
€170,85
€162,31
inkl. MwSt.
In den Warenkorb
GRANIT Ventil Holzspalter P81 A3 G - P81-A3-G
GRANIT
(0)
-5%
-5%
-5%
-5%
GRANIT
0 reviews
GRANIT Ventil Holzspalter P81 A3 G - P81-A3-G
€170,85
€162,31
inkl. MwSt.
Auf Lager
€134,14
zzgl. MwSt.
In den Warenkorb
Zum Vergleich hinzufügen
Dieses Produkt teilen
40.000+
technische Produkte
Deutschlandweite
Zustellung
30 Tage
Rückgaberecht
Bewertung
9,0/10
(501 reviews)
Larger quantity required?
Request a quote
Produktbeschreibung
Ventil Holzspalter P81 A3 G
Weitere Informationen
Artikelnummer:
87000946
SKU
87000946
Bewertungen
0
/
5
0
Sterne, basierend auf
0
Bewertungen
0
reviews
Ihre Bewertung hinzufügen
Haben Sie Fragen zu diesem Produkt?
Oder brauchen Sie Hilfe beim Bestellen? Wenden Sie sich bitte an unsere Support Abteilung unter
[email protected]
. Wir helfen Ihnen gerne weiter!
Ergänzende Produkte
GRANIT
GRANIT Spurstangenbolzen Hanomag
Auf Lager
€37,81
€35,92
GRANIT
GRANIT Sperrklinke Hanomag R40, R45, R55, R450, R460, ATK, Robust 800
Auf Lager
€81,19
€77,13
GRANIT
GRANIT Unterlage links nur für Unimog Unimog U 403, U 413, U 406, U 416, U 407, U 417, U 421
Auf Lager
€24,93
€23,68
GRANIT
GRANIT Fußmatte Seitenschalter MB Trac 700, 800, 900, 1000, 1100
Auf Lager
€861,52
€846,87
GRANIT
GRANIT Öleinfülldeckel MWM KD211Z Motor
Auf Lager
€12,25
€11,64
Haben Sie Fragen zu diesem Produkt?
Oder brauchen Sie Hilfe beim Bestellen? Wenden Sie sich bitte an unsere Support Abteilung unter
[email protected]
. Wir helfen Ihnen gerne weiter!
Zuletzt angesehen
-5%
GRANIT
Ventil Holzspalter P81 A3 G
€170,85
€141,20
€162,31
€134,14
-5%
GRANIT
Ventildeckeldichtung für Blechdeckel
€7,36
€6,08
€6,99
€5,78
-5%
GRANIT
Gasdruckdämpfer
Newton: 190. A (mm): 525. B (mm): 285. C (mm): 8. D (mm): 8. Form: 15.
€31,92
€26,38
€30,32
€25,06
-5%
GRANIT
Gasdruckdämpfer
Newton: 200. A (mm): 585. B (mm): 303,5. C (mm): 8,3. D (mm): 8,3. Hub (mm): 250...
€30,92
€25,55
€29,37
€24,27
Weitere Informationen
Artikelnummer:
87000946
SKU
87000946
0
/
5
0
Sterne, basierend auf
0
Bewertungen
0
reviews
Ihre Bewertung hinzufügen
© Copyright 2025 Techniek Totaal
Wähle deine Sprache
Nederlands
Deutsch
English
Wähle deine Währung
€
EUR
Mein Konto
anmelden
Passwort vergessen?
oder
jetzt registrieren
Zuletzt hinzugefügt
Gesamt inkl. MwSt
€0,00
Den Warenkorb anzeigen (0)
Weiter zur Kasse
0
Vergleichen
Vergleich starten
Review GRANIT Ventil Holzspalter P81 A3 G - P81-A3-G
Score
1 Stern
2 Stern (e)
3 Stern (e)
4 Stern (e)
5 Stern (e)
Name
Beschreibung
Hinzufügen
In den Warenkorb
Dieses Produkt wurde in Ihren Warenkorb gelegt!
Weiter zur Kasse
Weiter einkaufen