Menu
EUR
Menu
EUR
My account
Wishlist
0
Tractor & vehicle
Parts by manufacturer
Fendt
Case IH
John Deere
Deutz-Fahr
Massey Ferguson
New Holland
Steyr
Same
Fiat
Hürlimann
Lamborghini
Ford
Valtra-Valmet
Claas
Renault
Perkins
JCB
Jungheinrich
David Brown
Kubota
Linde
Wacker Neuson
Weidemann
Belarus
BT
Carraro
Clark
Eicher
Fritzmeier
Kramer
Landini
Lindner
Mercedes Benz
Schäffer
Schlüter
Still
Toyota
Yale
Zetor
Yanmar
Volvo CE / BM
McCormick
Combilift
Bobcat
Hyster
Mitsubishi
Steinbock
Holder
Güldner
Hangcha
White
Zettelmeyer
Doosan
Ursus
Genie
Moffett
Atlas
Caterpillar
Goldoni
Hanomag
Komatsu
O&K
Porsche
MAN
Oldtimer parts
Fendt
McCORMICK and IHC
Massey Ferguson
Fordson and Ford
Porsche Diesel
Deutz
Hanomag
Mercedes-Benz
Güldner
Fahr
Kramer
John Deere
Eicher
Renault
Steyr
Schlüter
MAN
MWM engines
Various tractor types
PTO shafts
Standard PTO shafts
Wide-angle PTO shafts
PTO shafts with shear bolt clutch
PTO shaft halves
PTO shaft parts & accessories
PTO shafts with freewheel clutch
PTO shafts with star slip clutch
PTO shafts with slip clutch
Trailer couplings
Hitch coupling
Hitch frame
K80 ball
K50 Ball
Piton Fix
Forced steering
Drawbar & drawbar eyes
Accessories
Seats and accessories
Pan seat
Tractor seat mechanical
Tractor seat air-suspended
Forklift seat
Construction machine seat
Riding mower seat
Passenger seat
Seat cover
Parts for seat
Cab and accessories
Mirror
Mirror mount
Gas spring
Parts for gas spring
Wiper blade
Wiper arm
Wiper motor
Wiper parts
Window repair
Window rubbers
Sun blind
Cabin fan
Cab accessories
Window and cabin locks
Three-point linkage parts
Top links
Lift arms
Lift axle
Balls for lift rod
Stabilizers
Drawbars and hole plates
Three-point pins
Securing parts
Spacers, spring washers and bushings
Catch hooks
Guide profiles
Threaded spindles
Clevises
Lift system accessories
Lighting
Main headlights
Work lights
Rotating beacons/flashing lights
Rear lights
Rear fog lights
Reversing lights
Number plate lights
Marker lights
Reflectors
Warning signs / warning stickers
Light carriers
Light sets
Bulbs/sockets
Lamp lenses
Interior lighting
Lamp holders and housings
Light bars
Hydraulics
Valves for line installation
Pumps
Cutting ring threaded fittings
Quick-release couplings
Hoses and accessories
Motors
Hydraulic cylinders
Adaptors
Measuring technology
Hydraulic units
Filtration
Fuel filters
Oil filters
Air filters
Hydraulic filters
Carbon filters
Cabin filters
Indicators
Ventilation filters
AdBlue filters
Coolant filters
Filter glasses
Pre-filters
Filter heads
Seals
Cyclone filters
Fuel tank filters
Weather covers
Filter sets
Filter elements
Accessories
Other filters
Steering & front axle
Steering wheels and accessories
Steering rods and track rods
Hydraulic steering
Ball joints
Electrics
Measuring/test equipment & tools
Display instruments
Switches/controls
Connection technology
Sensors
Starters
Alternators
Multimedia & communication
Video systems
Relays
Precision farming
Protection / monitoring / cooling
Voltage converters
Batteries
Engine
Throttle and stop cables
Exhaust system accessories
Fuel
Cooling
Engine preheating
AdBlue tanks
Brakes & transmission
Pilot bearing
Brake pads
Rivets
Universal 1-chamber reservoirs
Brake fluid reservoirs
Accessories for brake fluid reservoirs
Vehicle construction
Toolboxes
Hood supports
Rubber tension rings
Front mudguards
Fender flares
Mudflaps
Accessories
Pedal tractors
Keychains
Caps
Others
Workshop & maintenance
Lubrication and maintenance products
Engine oil
Coolant
Transmission oil
Technical sprays
Maintenance products
Additives
Greases
2-stroke oil
Hydraulic oil
Brake fluid
Chainsaw oil
Winter products
Other oil
Adhesives, sealing and locking
Sealants
Surface sealant
Adhesives
Threadlocker
Windscreen adhesive
Filler & metal repair
Cylindrical fastening
Thread sealing
Accessories
Paint and accessories
Brand-specific colours in tin
Brand-specific colours in spraycan
RAL colours in spraycan
RAL colours in spraycan
Primers
Hardeners and thinners
2-component paint
Paint accessories
Bonding, cutting and covering
Other products
Cleaning products
Cleaners
Vehicle cleaning
Cleaning accessories
Sprays
Degreaser
Windscreen washer fluid
Grease handling
Grease gun
Grease gun coupling
Grease gun parts
Grease nipple grease gun
Workshop gloves
Workshop supplies
Hand cleaning
Tyre repair
Cleaning cloths
Funnels
Oil cans
Measuring cups
Jerrycans
Drip trays oil
Assembly rollers and workshop stools
Machine and workshop cleaning
First aid kits
Occupational safety
Padlocks
Workshop stepladders
Pump
Diesel tank
Lifting bridge accessories
Jacks & Stands
Hand cleaning
Lighting and electrics
Electrical installation
Batteries and chargers
Workshop lighting
Lights
Load safety and lifting technology
Lashing strap
Automatic lashing strap
Tow rope
Lifting strap
Round sling
Ratchet tensioner
Luggage strap
Big bag & accessories
Welding technology
Welding wire
Electrode
Soldering
Welding helmet & spare parts
Welding equipment
Welding accessories
Wheels, castors and transport equipment
Sack barrows
Wheelbarrows
Solid rubber wheels
Tools
Modular workshop equipment
Workshop trolleys and assortments
Workshop trolleys, complete
Modules and insert sets
Tool assortments
Workshop trolleys, not filled
Tool boxes
Grinding, Milling, and Sanding
Cutting disc
Flap disc
Grinding disc
Machine brush
Drills and bits
Drill bits and accessories
Bits and inserts
Hand tools
Assembly and clamping tools
Keys
Screwdrivers
Ratchets
Pliers
Spanners
Socket wrench sets
Sockets
Impact socket wrenches, sockets and accessories
Hammers, chisels and drift punches
Adaptors for socket wrenches
Files
Torque wrenches
Knives and scissors
Lever tools
Wire brushes
Torque multipliers
Power tools
Compressed air tools
Impact wrenches and accessories
Ratchet drivers
Compressed air
Accessories
Special tools
Hydraulics
Engine technology
Other
Wheels/tyres
Pullers
Measuring and testing tools
Measuring equipment
Testing tools
Cutting tools
Thread taps
Drilling and cutting oil
Fasteners
Bolts
Hex bolts
Wood screws
Carriage bolts
Countersunk bolts
Cylinder head bolts
Wing bolts
Threaded rods
Sealing plugs
Nuts
Lock nuts
Flange nuts
Ball knobs
Crown nuts
Eye nuts
Star knobs
Thermag nuts
Wing nuts
Wheel nuts
Hex nuts
Washers and spring washers
Fixing parts
Cables, chains and accessories
Circlips/retaining parts
Wood connectors
Post supports
Assortments
Construction fittings
Tension and compression springs
Screws
Mounting screws for lamps
Top 10 products
40.000+
technical products
Worldwide
shipping*
30-day
return policy
Rating
9.2/10
(554 reviews)
Customer service
9.2
NOTICE: EUROL PRICE INCREASE COMING SOON
Due to the war in the Middle East, our Eurol prices will unfortunately have to increase within the next few days. Order now at the current prices while stock lasts.
Home
/
Brands
/
GRANIT
/
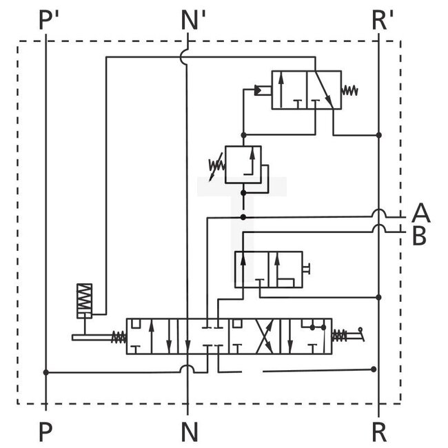
Lowering speed control - 85299079, 99079
GRANIT Lowering speed control - 85299079, 99079
€67,43
€64,09
Incl. VAT
Add to cart
GRANIT Lowering speed control - 85299079, 99079
(0)
5%
5%
0 reviews
GRANIT Lowering speed control - 85299079, 99079
€67,43
€64,09
Incl. VAT
In stock
€52,97
Excl. VAT
Add to cart
Add to comparison
Share this product
40.000+
technical products
Worldwide
shipping*
30-day
return policy
Rating
9.2/10
(554 reviews)
Larger quantity required?
Request a quote
Product description
Lowering speed control
Passend voor:
Case IH: 99079, Serie B-Familie, 743 XL, 745 S, 844, 844 S, 856, Serie C-Familie, 946, 955 XL, 956, 1046, 1055 XL, 1056, Serie D-Familie, 1255, 1255 XL, 1455, 1455 XL
Further information
Article number
85299079
EAN Code
4059139238729
SKU
85299079
Reviews
0
/
5
0
stars based on
0
reviews
0
reviews
Add your review
Any questions about this product?
Or do you need any help ordering? Feel free to get in touch with our support department at
[email protected]
. We're happy to help!
Related products
Any questions about this product?
Or do you need any help ordering? Feel free to get in touch with our support department at
[email protected]
. We're happy to help!
Recently viewed
5%
GRANIT
Lowering speed control
€67,43
€55,73
€64,09
€52,97
32%
Eurol
PLX 5W-40 - 210L
€1.162,51
€960,75
€793,61
€655,88
7%
GRANIT
Control unit da without float position for Bosch SB 1 hydraulic system
Technical data: Max. operating pressure: 210 bar, Nominal flow rate: max. 40 l/m...
€213,20
€176,20
€198,29
€163,88
32%
Eurol
PLX 5W-30 - 60L
€358,01
€295,88
€244,40
€201,98
Further information
Article number
85299079
EAN Code
4059139238729
SKU
85299079
0
/
5
0
stars based on
0
reviews
0
reviews
Add your review
© Copyright 2026 Techniek Totaal
Choose your language
Nederlands
Deutsch
English
Choose your currency
€
EUR
My account
Login
Forgot your password?
or
Create an account
Recently added
Total incl. tax
€0,00
View cart (0)
Proceed to checkout
0
Compare
Start comparison
Review GRANIT Lowering speed control - 85299079, 99079
Score
1 Star
2 Stars
3 Stars
4 Stars
5 Stars
Name
Description
Add
Add to cart
This product has been added to your cart
Proceed to checkout
Continue shopping