 
 
      Oleodinamica Marchesini Dubbel pilootbediende terugslagklep 12L small
Dubbel pilootbediende terugslagklep 12L small
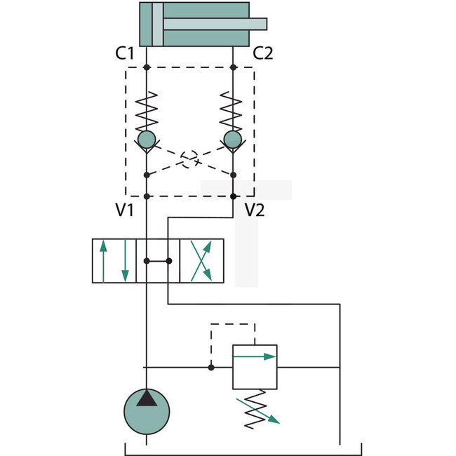
ESRV-DM
Deze ventielen worden bijv. bij de blokkering van dubbelwerkende hydraulische cilindersgebruikt. Het zijn dubbel gestuurde terugslagkleppen. Het ontgrendelen vindt intern plaats vanaf de respectieve tegenoverliggende bedieningslijn. 
Uitvoering: stalen behuizing, verzinkt 
Afdichtingsmateriaal: BUNA N
Referentienr: ESRV-04-DM-12L
 
       
       
        
        
        
              
      
            
        
      
            
             
        
        
        
              
      
            
        
      
            
            